南京鸿远传动设备厂
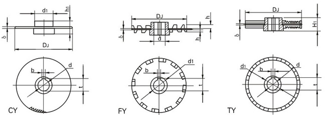
齿形圆盘涡轮式搅拌器
添加时间:2018-06-05文章作者:南京鸿远传动设备厂浏览次数:次

本公司生产近30类,计140多种搅拌器,从最常见的(包括已有的HB5标准,SB90标准各种搅拌器)到各种复杂形状或特殊用途的搅拌器。可按H/T2123-91标准的各种规格尺寸系列制造,也可根据用户生产工艺需求,代为设计制造各种特殊要求、特殊规格或特殊用途的搅拌器。
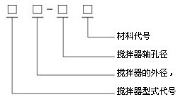
搅拌器型号标注方法:

齿形圆盘涡轮式搅拌器

平齿形圆盘涡轮式CY、翻齿形圆盘涡轮式FY、贴齿形圆盘涡轮式TY
圆盘外缘呈锯齿形,高速旋转下剪切性能很高。循环能力相对弱,分散、粉碎、剥离作用强烈,两相物性差民大的分散混合很适用,如涂料的节散过程。平齿形为一层水平的锯齿,翻齿形和贴齿形为上下两向立式锯齿,前者为齿和圆盘一体冲成上下翻出,齿粗疏,后者为两过锯齿条焊于圆盘外缘,齿细密。常用介质粘度μ<50000cp,常用运转速度n=100-1000rpm,v=5-20m/s,常用尺寸DJ/D=0.2-0.5。
齿形圆盘涡轮式搅拌器主要尺寸:
上一篇:常用圆盘涡轮式搅拌器
下一篇:菱臂弧叶桨式搅拌器