南京鸿远传动设备厂

产品中心

联系我们

当前位置:南京鸿远传动设备厂 >> 潜水搅拌机 >> QJB型潜水搅拌机

QJB型潜水搅拌机

添加时间:2018-06-05文章作者:南京鸿远传动设备厂浏览次数:


用途及适用范围:
    混合搅拌系列搅拌机适用于污水处理厂和工业流程中搅拌含有悬浮物、固杂物的液体。
    低速推流系列搅拌机适用于工业和城市污水处理厂曝气池和厌氧池,其产生低切向流的强力水流,可用于池中水循环及硝化、脱氮和除磷阶段创建水流等。
潜水搅拌机主要适用范围:
    ■污水/废水/污泥水的混合、均匀    
    ■稠化过程
    ■污泥脱水过程                 
    ■传热优化
    ■污水池清洁                    
    ■防止颗粒在池壁和池底的凝结和沉淀
    ■去除悬浮物                     
    ■创建水流等。
    在下列条件下设备可正常连续运行:
    1、最高介质温度不超过40℃;
    2、介质的PH值在5~9;
    3、介质密度不超过1150kg/m3;
    4、长期潜水运行,潜水深度一般不超过20m。
特点:
    1、结构紧凑,体积小,重量轻,操作维护简单、安装方便快捷、使用寿命长。
    2、叶轮经CFD优化设计,效率高,后掠式叶片具有自洁功能可防杂物缠绕、堵塞。
    3、与曝气系统配合使用可使能耗大幅度降低,充氧量明显提高,有效防止沉淀。
    4、独特的电缆密封设计,排除了电缆漏水的隐患。
    5、电机绕组为F级绝缘,防护等级为IP68,选用一次润滑免维护进口轴承,具有油室泄漏检测和电机绕组过热保护功能,使电机的工作更加安全可靠。
    6、两道独立的机械密封,机械密封的磨擦付材质为耐腐蚀的碳化钨,所有紧固件均为不锈钢材质。
结构:
    QJB型潜水搅拌机主要由潜水搅拌机主机、安装系统及电控设备组成。
    潜水搅拌机可分为潜水搅拌机型式按其作用分为混合型潜水搅拌机和低速推流型。混合型潜水搅拌机按其结构特点又分为直联冲压式潜水搅拌机和非直联式潜水搅拌机。低速推流型潜水搅拌机属非直联式潜水搅拌机。
    混合型潜水搅拌机按其叶片成形方式又分为铸件搅拌机和冲压搅拌机。铸件搅拌机叶片(叶轮)为铸造成形,机体外壳材料一般为铸铁。冲压搅拌机叶片为冲压成形,机体外壳材料一般为不锈钢。
    混合型潜水搅拌机一般配制导流罩以增加轴向流动并减少径向流动,减少叶轮振动,增加运转的平稳性。而低速推流型潜水搅拌机不配制导流罩。
    如图1所示,直联式潜水搅拌机主要由叶轮、潜水电机两大部分组成,叶轮直接装在电机轴上。

 

 
    非直联式潜水搅拌机主要由叶轮、潜水电机、减速装置等三大部分组成,叶轮装在减速装置输出轴上。
    如图2所示,低速推流型潜水搅拌机主要由叶片、轮毂、潜水电机、减速装置等部分组成,叶轮轮毂装在减速装置输出轴上。


 

 
性能参数:
表1 混合型潜水搅拌机主要性能参数 


 
          注:型号后加*号的为铸件搅拌机,其余为冲压搅拌机
 
表2推流型潜水搅拌机主主要性能参数 


 
安装系统:
    安装系统根据搅拌机主机结构特点及设备安装运行需要分为安装系统Ⅰ、Ⅱ、Ⅲ、Ⅳ共四种型式。一般地每个规格搅拌机对应一种型式安装系统(见表1),如用户有特殊需要,可另配其它型式安装系统。各型式安装系统其结构有所不同。



    如图3所示,安装系统Ⅰ主要由导杆、上转盘、支撑架、下转盘等组成。潜水搅拌机通过下转盘与导杆联接,悬挂于导杆下部,导杆则通过上转盘固定上支撑架上。潜水搅拌机可通过下转盘上联接螺栓位置的改变,在铅垂面上与水平面成一定的倾角安装;潜水搅拌机也可通过上转盘与导杆的联接螺栓位置的改变绕上转盘轴线作360°旋转,以适应不同方向搅拌或推流,消除水池中的死区,使水流处于最佳运行状态。



 图3安装系统Ⅰ


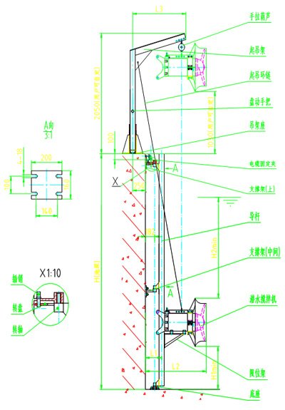
    如图4所示,安装系统Ⅱ主要由手拉葫芦、起吊架、起吊环链、支座、导杆、中间支撑架(池深≤6米时无)、限位架、底座等组成。导杆通过焊接在本体上的铰轴定位于支座、中间支撑架、底座同心轴线上,并可在水平面内转动±60°,以适应不同方向搅拌或推流,消除水池中的死区,使水流处于最佳运行状态。潜水搅拌机通过导轮沿导杆上下移动;起吊架可安在支座上并可绕其定位轴线旋转360°,以方便安装及维护。为增加潜水搅拌机运行时的可靠性,减缓潜水搅拌机运行中的振动,一般限位架直接焊在导杆上,并在潜水搅拌机与限位架加设减震块。限位架焊接在导杆上可在出厂前焊接,也可在现场安装时焊接。如用户无特殊要求,一般在出厂前焊接。



图4 安装系统 Ⅱ
   如图5所示,安装系统Ⅲ主要由手拉葫芦、起吊架、吊架座、起吊环链、上支撑架、导杆、中间支撑架(池深≤6米时无)、限位架、底座等组成。导杆通过焊接在本体上的铰轴定位于上支撑架、中间支撑架、底座同心轴线上,并可在水平面内转动±60°,以适应不同方向搅拌或推流,消除水池中的死区,使水流处于最佳运行状态。潜水搅拌机通过导轮沿导杆上下移动;起吊架安装在吊架座上并可绕其定位轴线旋转360°,以方便安装及维护。为增加潜水搅拌机运行时的可靠性,减缓潜水搅拌机运行中的振动,一般限位架直接焊在导杆上,并在潜水搅拌机与限位架加设减震块。限位架焊接在导杆上可在出厂前焊接,也可在现场安装时焊接。如用户无特殊要求,一般在出厂前焊接。



图5  安装系统 Ⅲ
   如图6所示,安装系统Ⅳ主要由手拉葫芦、起吊架、吊架座、起吊环链、导杆、限位架、底座等组成。导杆通过焊接在本体上的铰轴定位于上支撑架、中间支撑架、底座同心轴线上,并可在水平面内转动±60°,以适应不同方向搅拌或推流,消除水池中的死区,使水流处于最佳运行状态。潜水搅拌机通过导轮沿导杆上下移动;起吊架安装在吊架座上并可绕其定位轴线旋转360°,以方便安装及维护。本安装系统的限位架为“T”子形,上端与搅拌机机体接触,横向用螺栓与导杆联板联接(导杆联板待搅拌机位置调整正确后焊在导杆上),下端用膨胀螺栓固定。为增加潜水搅拌机运行时的可靠性,减缓潜水搅拌机运行中的振动,在潜水搅拌机与限位架加设V形橡胶减震块。

    专用安装系统可在无需排出池中污水的情况下,能快速安装和拆卸潜水搅拌机。安装系统采用膨胀螺栓固定,无需预留孔。安装系统采用不锈钢(或碳钢)材料制造,可确保长久安全可靠。起吊装置除吊架座外,数台搅拌机可共用一套。
控制系统:
    每台潜水搅拌机均引出控制保护信号线,采用专用控制柜进行控制保护,具有对设备进行过载、缺相、短路、泄漏、超温等保护功能和提供相应的信号指示,可确保机组可靠运行,并具有PLC接口。控制方式及元器件按招标文件要求制作。
主要安装尺寸:
表3 混合型潜水搅拌机主要安装尺寸



表4 推流型潜水搅拌机主要安装尺寸


 
    选型方案的正确与否直接影响到设备的运行效果。为了选择恰当型号的潜水搅拌机,以达到最佳的效果,请用户提供如下资料,以便为您正确选型:
    1. 使用场合及目的;
    2.  池型;
    3.  池子尺寸:平面尺寸、池深、水深;
    4.  介质参数:密度、粘度、含固率、温度、PH值等;
    5.  其它要求。 
搅拌机外形尺寸:



潜水搅拌机流场图:



应用及布置:
    和传统长轴搅拌机相比,QJB型潜水搅拌机的优点在于可产生不同的流向。

上一篇:[潜水搅拌机]

下一篇:潜水搅拌器