销售热线:025-57265086 / 13771335228
网站首页
企业简介
新闻中心
产品展示
生产场景
资质荣誉
人力资源
联系我们
产品中心
搅拌机、搅拌器系列
潜水搅拌机
水处理搅拌机
搅拌器
搅拌装置
侧搅拌机
机械搅拌澄清池搅拌机
刮泥机系列
刮渣机系列
撇油机
小型直流推杆
LT/UT系列欧标电动推杆
LPT系列电动缸
DT系列推杆
TDT同步电动推杆
DTZ系列电动推杆
四大系列减速机
摆线针轮减速机
涡轮蜗杆减速机
焊割设备专用减速机
加药装置
联系我们
南京鸿远传动设备厂
联系人:杨小姐
手机:13771335228
电话:025-57265086
传真:025-57260144
邮箱:fxd0809@126.com
地址:南京市溧水县明觉工业园
当前位置:
南京鸿远传动设备厂
>>
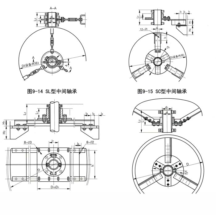
搅拌装置
>> 中间轴承
中间轴承
添加时间:2018-06-05
文章作者:南京鸿远传动设备厂
浏览次数:
次
注:重量仅供参考,与设备内径D有关,SD适用于中间轴承位置高度在上封头范围的情况,用户提高高度位置及封头图形,本公司可以供应定位杆拉杆构件。
上一篇:
搅拌轴
下一篇: